单片机

单片机定义

[!note]

单片机:将计算机的基本部件集成在一块芯片

image-20250314164012908

  • 单片机是电子计算机的一种

  • 将组成微型计算的各个功能部件:中央处理器(CPU)、存储器(RAM、ROM、EPROM)、定时/计数器、串行口、I/O接口电路等集成在一块集成电路芯片中从而构成完整的微型计算机,故称为单晶片微型计算机,简称单片机,也称为微控制器

  • 单片机真正能让开发者做到一位一位(bit)的编程

单片机控制应用

  • 单片机通过接口对外部设备进行控制

image-20250314164246467

  • 单片机是物联网控制系统中的“节点机”

[!note]

单片机和嵌入式系统:

  • 单片机和嵌入式系统都属于计算机,硬件和软件都可以相对裁剪的计算机系统
  • 但是单片机一般用于小任务,功能相对单一,开发简单
  • 嵌入式系统可裁剪,做大任务,“嵌入”到其他设备中,用于实现特定功能

单片机分类

  • 按用途

    通用型:将可开发的资源(ROM、RAM、I/O、EPROM)等全部提供给用户。

    专用型:其硬件及指令是按照某种特定用途而设计,例如电机控制器。

  • 按基本操作处理的数据位数:1位、4位、8位、16位、32位

[!note]

为什么以8位的MCU为主? 需要稳定性,功耗低,成本低(一块钱成本)

MCU的体系结构-以MCS-51单片机为例

MCS-51单片机硬件结构及引脚

MCS-51单片机的内部结构

  • 组成:CPU(运算和控制),RAM(数据存储器),ROM(程序存储器),I/O(串口并口),内部总线,中断系统

image-20250331112019233

  • 振荡器提供周期信息

中央处理器(CPU)

由运算器和控制器组成

  1. 运算器:8位算术逻辑运算单元ALU(Arithmetic Logic Unit)、8位累加器A(Accumulator)、8位寄存器B、程序状态字寄存器PSW(Program Status Word)、8位暂存寄存器TMP1和TMP2等,完成算术运算和逻辑运算
  2. 控制器:程序计数器PC(Program Counter)、指令寄存器IR(Instruction Register)、指令译码器ID(Instruction Decoder)、堆栈指针SP数据指针DPTR、定时控制逻辑和振荡器OSC等电路,根据PC取码存放在IR后,由ID译码,产生执行信号

存储器

  1. 把程序存储器和数据存储器分开,有各自的寻址系统、控制信号和功能

  2. 8051的存储器在结构上分为片内数据存储器、片内程序存储器、片外数据存储器和片外程序存储器4个存储空间。但从用户使用的角度看,片内程序存储区和片外程序存储区是统一编址的,所以在逻辑上8051的存储器分为3个逻辑空间

    image-20250331145023080

    三个逻辑空间:

    1. 片内外统一寻址的64KB程序存储器空间,地址范围为0000H~FFFFH。

    2. 64KB的片外数据存储器空间,地址范围也为0000H~FFFFH。

    3. 256B的片内数据存储器空间,地址范围为00H~FFH。

程序存储器
  • 一般将只读存储器(ROM)用做程序存储器。可寻址空间为64KB,用于存放用户程序、数据和表格等信息

image-20250331113042440

MCS-51单片机按程序存储器可分为内部无ROM型(如8031)和内部有ROM型(如8051)两种,连接时EA引脚有区别。

  • 具有特殊含义的存储单元

    0000H:单片机复位后的程序入口地址。

    中断向量:3+8*n(0<=n<=4)

    0003H:外部中断0的中断服务程序入口地址。

    000BH:定时器0的中断服务程序入口地址。

    0013H:外部中断1的中断服务程序入口地址。

    001BH:定时器1的中断服务程序入口地址。

    0023H:串行口的中断服务程序入口地址

数据存储器
  • 一般将随机存储器(RAM)用做数据存储器。可寻址空间为64KB

  • 片外RAM:

    ​ 最大范围:0000H~FFFFH,64KB;用指令MOVX访问

  • 片内RAM:

    ​ 最大范围:00H~FFH,256B;用指令MOV访问

image-20250331113510052

特殊功能寄存器(SFR)

  1. MCS-51有21个特殊功能寄存器(也称为专用寄存器),包括算术运算寄存器、指针寄存器、I/O口锁存器、定时器/计数器、串行口、中断、状态、控制寄存器等
  2. SFR反映了MCS-51单片机的运行状态。

  3. 程序计数器PC

    • 程序计数器PC在物理上是独立的,它不属于SFR存储器块
    • PC是一个16位的计数器,专门用于存放CPU将要执行的指令地址(即下一条指令的地址)
    • 可以通过转移、调用、返回等指令改变其内容,以控制程序执行的顺序
  4. 累加器A

    累加器A是8位寄存器,又记做ACC

    在算术/逻辑运算中用于存放操作数或结果

  5. 寄存器B

    专门为乘除法指令设计的,也作通用寄存器用

  6. 工作寄存器

    内部RAM的工作寄存器区00H~1FH共32个字节被均匀地分成四个组(区),每个组(区)有8个寄存器

    分别用R0~R7表示,称为工作寄存器或通用寄存器,其中,R0、R1还经常用于间接寻址的地址指针

    通过程序状态字寄存器(PSW)第3、4位设置工作寄存器区。

  7. 程序状态字PSW

    用于存放程序运行的状态信息,PSW中各位状态通常是在指令执行的过程中自动形成的,但也可以由用户根据需要采用传送指令加以改变

    例如:Cy(进借位),AC(辅助进借位),F0(用户),RS1.RS0(工作寄存器组(区)选择),OV(溢出标志),P(奇偶标志位)

  8. 数据指针DPTR

    DPTR主要用作16位间址寄存器,访问程序存储器和片外数据寄存器

    也可作为两个独立的8位寄存器DPH(高8位)、DPL (低8位)使用

  9. 堆栈指针SP

    堆栈指针SP是一个8位寄存器,用于指示堆栈的栈顶,它决定了堆栈在内部RAM中的物理位置

    设立堆栈的目的是用于数据的暂存,中断、子程序调用时断点和现场的保护与恢复

  10. I/O口专用寄存器(P0, P1, P2, P3)

    8051片内有4个8位并行I/O接口P0, P1, P2和P3

  11. 定时器/计数器(TL0, TH0, TL1和TH1)

    2个16位定时器/计数器是完全独立的。可以单独对这4个寄存器进行寻址,但不能把T0和T1当做16位寄存器来使用。

  12. 串行数据缓冲器(SBUF)

    存放需要发送和接收的数据

    发送缓冲器和接收缓冲器组成

    发送和接收的操作其实都是对串行数据缓冲器SBUF进行的

  13. 其他控制寄存器

    还有IP, IE, TCON, SCON和PCON等几个寄存器,主要用于中断、定时和串行口的控制

I/O接口

I/O接口是MCS-51单片机对外部实现控制和信息交换的通道,用于信息传送过程中的速度匹配和增加它的负载能力。

8051内部有4个8位并行接口P0, P1, P2, P3,有1个全双工的可编程串行I/O接口。

定时器与计数器

8051内部有两个16位可编程序的定时器/计数器,均为二进制加1计数器

T0和T1均有定时器和计数器两种工作模式

  1. 定时器模式下,T0和T1的计数脉冲可以由单片机时钟脉冲经12分频后提供
  2. 计数器模式下,T0和T1的计数脉冲可以从P3.4和P3.5引脚上输入
  3. 控制由定时器方式选择寄存器TMOD和定时器控制寄存器TCON完成

中断系统

  • 中断:指CPU暂停原程序执行,转而为外部设备服务(执行中断服务程序),并在服务完后返回到原程序执行的过程。
  • 中断系统:指能够处理上述中断过程所需要的硬件电路
  • 中断源:指能产生中断请求信号的源泉。

8051的中断系统主要由中断允许控制器IE和中断优先级控制器IP等电路组成


MCS-51单片机外部引脚

  • 8051单片机有40个引脚,分为端口线、电源线和控制线三类。

电源线

GND(ground):接地引脚。

VCC:正电源引脚。接+5V电源

端口线

P0~P3口:4×8=32条

image-20250331174321034

  1. P0(P0.0~P0.7)

    8位双向三态I/O口,为外部扩展时的数据总线/低8位地址总线的分时复用口

    又可作为通用I/O口,每个引脚可驱动8个TTL负载。

    对EPROM型芯片(如8751)进行编程和校验时,P0口用于输入/输出数据

  2. P1

    8位准双向I/O口,内部具有上拉电阻,可作为通用I/O口。每个引脚可驱动4个TTL负载

  3. P2

    同P1,但是可以作为外部扩展时的高8位地址总线

  4. P3

    8位准双向I/O口,内部具有上拉电阻。它是双功能复用口

    作为通用I/O口时,功能与P1口相同,

    常用第二功能。每个引脚可驱动4个TTL负载。作为第二功能使用时,各位的作用如下页表所示

    image-20250331174601514

控制线

  1. RST/VPD

    RST/VPD引脚是复位信号/备用电源线引脚

    当8051通电时,在RST引脚上出现24个时钟周期以上的高电平,系统即初始复位。

  2. ALE/PROG_

    地址锁存允许/编程引脚。

    访问外部程序存储器时,ALE的输出用于锁存地址的低位字节,以便P0口实现地址/数据复用

    不访问外部程序存储器时,ALE端将输出一个1/6时钟频率的正脉冲信号

    第二功能:对EPROM型芯片(如8751)进行编程和校验时,此引脚传送52ms宽的负脉冲选通信号

  3. EA_/V_pp

    允许访问片外程序存储器/编程电源引脚(低电平有效)

    第二功能是片内EPROM编程/校验时的电源线,在编程时,VPP脚需加上21V的编程电压

  4. XTAL1和XTAL2

    XTAL1脚为片内振荡电路的输入端,XTAL2脚为片内振荡电路的输出端

    image-20250331175901155

    片内时钟振荡方式,但需在XTAL1和XTAL2脚外接石英晶体(频率为1.2~12MHz)和振荡电容

    外部时钟方式,即将XTAL1接地,外部时钟信号从XTAL2脚输入


MCS-51单片机的工作方式

MCS-51系列单片机的工作方式可分为:复位方式、程序执行方式、单片执行方式、掉电保护方式、节电工作方式和EPROM编程/校验方式

复位

  • 系统开始运行和重新启动靠复位电路来实现,这种工作方式为复位方式
  • 单片机在开机时都需要复位,以便CPU及其他功能部件都处于一种确定的初始状态,并从这个状态开始工作
  • MCS-51单片机在RST引脚产生两个机器周期(即24个时钟周期)以上的高电平即可实现复位

[!tip]

  • 复位是单片机的初始化操作
  • 复位功能是把PC初始化为0000H,使CPU从0000H单元开始执行程序
  • 内部RAM的数据是不变的
  • 程序运行出错或操作错误使系统处于死锁状态时,需要按复位键重新启动
  • 复位操作有上电自动复位和按键手动复位两种方式

    上电自动复位是通过外部复位电路的电容充电来实现的。

    按键手动复位是通过复位端经电阻与电源VCC接通而实现的,它兼备上电复位功能

程序执行

程序执行方式是单片机基本工作方式,可分为连续执行工作方式和单步执行工作方式

  1. 连续执行:单片机复位后立即转到0000H处执行程序。自动连续地执行下去
  2. 单步执行:用户调试程序的一种工作方式,按一次,单片机就执行一条指令(仅仅执行一条),利用单片机外部中断功能实现

节电方式

节电工作方式是低功耗的工作方式,可分为空闲(等待)方式掉电(停机)方式

  1. HMOS单片机的掉电保护:当VCC突然掉电时,单片机通过中断将必须保护的数据送入内部RAM,备用电源VPD可以维持内部RAM中的数据不丢失
  2. CHMOS单片机的节电方式:CHMOS型单片机特别适用于低功耗应用场合,它的空闲方式和掉电方式都是由电源控制寄存器PCON中相应的位来控制

[!note]

电源控制寄存器PCON

image-20250331181058554

空闲工作方式

IDL位置为1(用指令MOV PCON, #01H)

image-20250331181229348

CPU为空闲待机状态,中断系统、串行口、定时器/计数器,仍有时钟信号,仍继续工作

中断退出,硬件复位退出空闲状态

掉电工作方式

将PD置为1(用指令MOV PCON, #02H),片内的RAM和SFR中的数据保持不变,而包括中断系统在内的全部电路都将处于停止工作状态

硬件复位退出掉电工作方式

编程和校验

  • 编程是将原始程序、数据写入内部EPROM中
  • 校验是在向片内程序存储器EPROM写入信息时或写入信息后,可将片内EPROM的内容读出进行校验

时序

[!note]

  • CPU在执行指令时所需控制信号的时间顺序称为时序。
  • 时序是用定时单位来描述的,MCS-51的时序单位有四个,分别是时钟周期(节拍)、状态、机器周期和指令周期

时序单位:

  1. 时钟周期:振荡周期、节拍(用P表示)

    为单片机提供时钟信号的振荡源(OSC)的周期。它是时序中的最小单位。

  2. 状态(S):

    • 振荡脉冲经过二分频后即得到整个单片机工作系统的状态
    • 一个状态有两个节拍,前半周期对应的节拍定义为P1,后半周期对应的节拍定义为P2
  3. 机器周期:通常将完成一个基本操作所需的时间称为机器周期

  4. 指令周期:执行一条指令所需要的时间称为指令周期。它是时序中的最大单位。

[!tip]

单片机时序定时单位从小到大依次为:时钟周期、状态周期、机器周期和指令周期

MCS-51指令的取指/执行时序

  • 指令的集合称为程序,执行程序的过程就是执行指令的过程
  • 单片机执行任何一条指令时都可以分为取指阶段和执行阶段。
    • 在取指阶段,CPU从程序存储器中取出指令操作码,送指令寄存器,
    • 经指令译码器译码,产生一系列控制信号,完成本指令规定的操作
  • 在取指阶段,CPU从程序存储器中取出指令操作码,送指令寄存器,再经指令译码器译码,产生一系列控制信号,完成本指令规定的操作
  • ALE信号是用于锁存低8位地址的选通信号,每出现一次该信号,单片机即进行一次读指令操作。
  • 当指令为多字节或多周期指令时,只有第一个ALE信号进行读指令操作,其余的ALE信号为无效操作(或读操作数操作)

image-20250407102845744

访问片外ROM/RAM指令的时序

  1. 外部程序存储器读时序

    从外部程序存储器读取指令,必须有两个信号进行控制:ALE信号和_PSEN信号(外部ROM读选通脉冲)

    image-20250407103123136

    • MCS-51单片机有外部总线,16位的地址线,8位的数据线,但是地址的低8位跟数据线是重合的,因此访问的时候需要ALE信号区分开低8位(P0口,高8位是P2口)地址和数据
  2. 外部数据存储器读时序

    image-20250407103348235

    P2 是高八位地址总线,而P0是分时复用地址、数据总线(控制低八位),需要ALE来锁存P0在担任地址角色时输出的地址信号。

中断系统

CPU与外部设备的通信方式

  1. 无条件传送方式:CPU总是认为外设在任何时刻都处于“准备好”的状态
  2. 查询传送方式:输入时,需要查询外设的输入数据是否准备好。输出时,需要查询外设是否把上一次输出的数据处理完毕
  3. 中断传送方式:CPU暂时中止当前的工作,转去处理所发生的事件。中断服务处理完该事件后,再返回到原来被中止的地方继续原来的工作,这样的过程称为中断**

中断传送方式

  1. CPU暂时中止当前的工作,转去处理所发生的事件。中断服务处理完该事件后,再返回到原来被中止的地方继续原来的工作,这样的过程称为中断
中断源与控制寄存器
  1. ¨标准MCS51有如下5个中断源:外2(INT0、INT1)、内2(T0、T1)、串1,外2可扩展

  2. 串行口 完成一帧发送(TI)或接收(RI)中断请求

    串口只要发送或接收完一帧,都会置位串口中断标志位(发送就置位TI,接收则置位RI),两个标志位只要有一个为1(即是两种情况有一种发生)且此时系统允许串口中断,则会转向中断服务程序,

    在中断服务程序里判断中断是TI/RI哪个为1触发的,相应的做出处理,如可以把缓冲区的数据读出来等。

    如果没有开中断,则通过检测TI/RI是否为1来检测发送或者接收结束否,这两个标志位无论是中断法还是查询法都只能使用软件清零(接收完了人工置0)。

image-20250407104400798

  • 外部中断0 > 定时/计数器0 > 外部中断1 > 定时/计数器1 > 串行口

MCS51的片上接口及应用

定时器/计数器及应用

比较方便的办法是利用单片机内部的定时/计数器。也可以采用下面三种方法:

  1. 软件定时
  2. 采用时基电路定时:555电路,外接必要的元器件(电阻和电容)
  3. 采用可编程芯片定时:
定时器/计数器概述
  • 可编程定时器/计时器
    • 确定其工作方式是定时还是计数
    • 预置定时或计数初值
    • 当定时时间到或计数终止时,要不要发中断请求;
    • 何时启动定时器或计数器工作

工作原理

  • 定时器:计数输入信号来自内部振荡信号,在每个机器周期内定时器的计数器做一次“+1”运算。因此定时器亦可视为计算机机器周期的计数器
  • 计数器:计数输入信号来自外部引脚T0(P3.4)、T1(P3.5)上的计数脉冲,外部每输入一个脉冲,计数器做一次“+1”运算

都可以设置初值以及溢出时都可以产生中断

当加到计数器为全1时,再输入一个脉冲就使计数器回零,且计数器的溢出使TCON中TF0或TF1置1

溢出时计数器的值减去计数初值才是加1计数器的计数值

定时器/计数器的主要特性

  1. 每1个定时器/计数器都可以分为两个独立的8位定时器/计数器
  2. 有4种工作方式:其中T0有方式0、1、2、3,T1有方式0、1、2
  3. 需写入计数初值,且规定其工作方式,每种工作方式的初值计算有不同方法

内部结构

  • 定时/计数器的实质是加1计数器(16位),由高8位和低8位两个寄存器组成。
  • TMOD是定时/计数器的工作方式寄存器,确定工作方式和功能;
  • TCON是控制寄存器,控制T0、T1的启动和停止及设置溢出标志。

image-20250407111025217

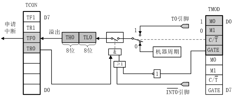
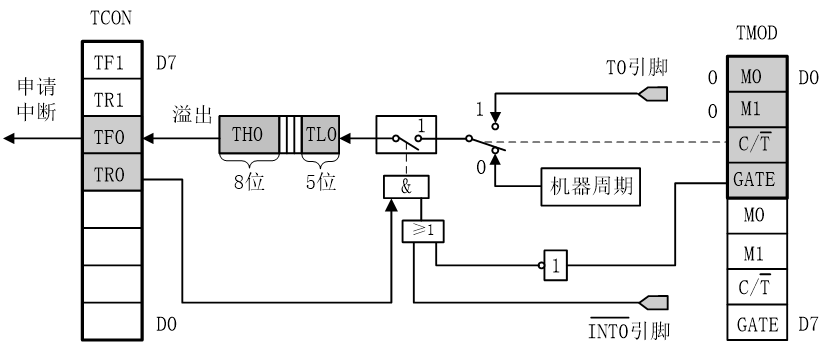
定时器/计数器的控制

方式控制寄存器TMOD 用于设置定时/计数器的工作方式

image-20250407111307339

  • GATE:门控位。选择内部中断(GATE=0),外部中断(GATE=1)
  • C/_T:定时/计数模式选择位
  • M1和M0:工作方式选择位
M1M0 工作方式 功能
00 方式0 13位计数器
01 方式1 16位计数器
10 方式2 可自动重新装载的8位计数器
11 方式3 T0分为两个独立的8位计数器,T1停止计数
定时器/计数器控制寄存器TCON

image-20250407111643775

  • TF1(TCON.7), T1溢出中断请求标志位。
  • TR1(TCON.6):T1运行控制位。

定时器/计数器的工作方式

方式0

方式0为13位计数,由TL0的低5位(高3位未用)和TH0的8位组成。

TL0的低5位溢出时向TH0进位,TH0溢出时,置位TCON中的TF0标志,向CPU发出中断请求。

image-20250407112459842

计数个数与计数初值的关系为: X=2^13 - N

方式1

方式1的计数位数是16位,由TL0作为低8位、TH0作为高8位,组成了16位加1计数器 。

image-20250407112617249

计数个数与计数初值的关系为: X=2^16 - N

方式2
  • 方式2为自动重装初值的8位计数方式。
  • TL1(或TL0)被定义为计数器,TH1(或TH0)被定义为赋值寄存器

image-20250407112835741

计数个数与计数初值的关系为: X=2^8 - N

适合于用作较精确的脉冲信号发生器

方式3

方式3只适用于定时/计数器T0,定时器T1处于方式3时相当于TR1=0,停止计数

image-20250407112948414

工作方式3将T0分成为两个独立的8位计数器TL0和TH0

模式3通常适用于要求增加一个额外的8位定时器的情况

计数初值的计算

置入计数初值X可计算如下:

计数方式时:

X=M-计数值(X即为计数值的补码)

例如:要计100个数,则计数初值X=M-100

② 定时方式时:

(M-X)×T=定时值

故,X=M-定时值/T

其中T为计数周期,是单片机时钟的12分频,即单片机机器周期

当晶振为6MHz时,T=2μs,当晶振为12MHz时,T=1μs。

总结

定时和计数实质都是对脉冲的计数,只是被计脉冲的来源不同,定时方式的被计脉冲来源于时钟,计数方式的被计脉冲来源于外部

定时方式的计数初值和被计脉冲周期有关,计数方式的和被计脉冲的个数有关。

无论定时还是计数,当计满规定的脉冲个数产生溢出(计数初值寄存器回零),置位TFx , 可以通过程序查询,如果允许中断,会产生中断。

中断应用

中断处理过程

中断响应
  • 中断响应的前提
    • EA=1(开中断)
    • 对应的中断允许标志=1
    • 无同级或更高级中断正在处理
  • 如果当前执行RETI或者访问IE或者IP的指令,需要再执行一条指令,才能响应中断

  • 具体过程:

    1. 置相应的优先级触发器状态为1
    2. 执行一个硬件生成子程序调用指令
    3. 保护断点。注意不保存PSW
    4. 转入相应的中断服务程序入口,执行中断服务程序
  • 中断响应时间

    1. 第一个周期:采样外部中断请求输入引脚电平
    2. 第二个周期:查询IE0和IE1
    3. 第三个周期:维持请求中断信号

    从外部中断请求有效到开始执行中断服务程序的第一条指令,中间至少需要3个完整的机器周期。如果中断被阻止,则中断响应时间将延长

  • 中断入口地址:通常在这些入口放置一个无条件转移指令,转移到其他地址执行

  • 中断处理:保护现场,切换寄存器工作区,中断撤销

汇编语言中断编程

  • 中断入口地址设定
  • 中断允许、优先级设定
  • 中断服务程序:保护现场,切换工作寄存器区,执行中断工作,RETI

C语言中断编程

  • 主程序:允许中断、中断优先级

  • 中断函数:

    • 使用interrupt m进行修饰。其中m的取值为0~31对应不同中断方式
    • 中断函数不能进行参数传递
    • 中断函数没有返回值
    • 在任何情况下都不能直接调用中断函数
    • 被调用函数所使用的寄存器必须与中断函数相同
    • C51编译器从绝对地址8m+3处产生一个中断向量
    • 中断函数最好写在文件的尾部,并不能使用extern存储类型说明。
  • using n修饰符

    修饰符using n用于指定本函数内部使用的工作寄存器组,其中n的取值为0~3,表示寄存器组号

    using n修饰符不能用于有返回值的函数,C51函数的返回值是放在寄存器中的

串行接口及应用

串行通信的基本概念

  • 串行通信就是二进制信息位按时间顺序一位一位地传送的通信方式
  • 串行通信有两种基本通信方式:异步方式和同步方式

异步串行通信

  • 异步通信,是指数据传送以字符为单位,字符与字符间的传送是完全异步的,位与位之间的传送基本上是同步的。
  • 异步串行通信的特点为:
    • 以字符为单位传送信息。
    • 相邻两字符间的间隔是任意长
    • 接收时钟和发送时钟只要相近就可以,不需要精确同步。
  • 简单说就是:字符间异步,字符内部各位同步

  • 异步串行通信的数据格式:每个字符(每帧信息)由4个部分组成

    • 1位起始位,规定为低电平0;
    • 5~8位数据位,即要传送的有效信息;
    • 1位奇偶校验位
    • 1~2位停止位,规定为高电平1。

image-20250410092643885

同步串行通信

  • 同步通信,是指数据传送是以数据块(一组字符)为单位,字符与字符之间、字符内部的位与位之间都同步。
  • 同步串行通信的特点为:

    • 以数据块为单位传送信息。
    • 在一个数据块(信息帧)内,字符与字符间无间隔。
    • 接收时钟与发送进钟严格同步,通常要有同步时钟。
    • 字符数据间不允许有间隙,当线路空闲或没有字符可发送时,发送同步字符。
  • 同步串行通信的数据格式:每个数据块(信息帧)由3个部分组成:

    • 2个同步字符作为一个数据块(信息帧)的起始标志;
    • n个连续传送的数据
    • 2个字节循环冗余校验码(CRC)

MCS51串行接口的结构与控制

  • MCS-51系列单片机有一个全双工的串行接口,可进行异步串行接收和串行发送,可编程选择四种工作方式,波特率可由用户设置

  • 通过引脚RXD(P3.0串行数据接收端)引脚TXD(P3.1串行数据发送端)与外界进行通信。

    可以作为UART(Universal Asynchronous Receiver/Transmitter)用,也可用作同步移位寄存器

image-20250410093402959

  • 串行控制寄存器SCON

    用以存放串行口的控制和状态信息。

    image-20250410110959302

  • 波特率发生器:

    定时器T1作波特率发生器,改变计数初值就可以改变串行通信的速率,称为可变波特率

    以内部时钟的分频器作波特率发生器,因内部时钟频率一定,称为固定波特率

串行通信的传送过程

  • 接收,串行数据通过RXD(P3.0)进入单片机。当接收控制器检测到接收端RXD的负跳变时,启动接收过程,则串行口按照程序设定的格式、以一定的频率(波特率)接收一帧数据,接收完毕,数据存入接收缓冲器SBUF中,并置RI为1
  • 发送方,通过CPU执行 MOV SBUF, A指令启动发送过程,数据由TXD(P3.1)一位一位的发出,发送完最后一位,将TI置1

image-20250410111237587

[!tip]

  1. 甲、乙方的移位时钟频率应相同,即应具有相同的波特率,否则会造成数据丢失。
  2. 发送方是先发数据再查标志,接收方是先查标志再收数据。
  3. CPU通过指令和SBUF并行交换数据,查询标志位来确定数据的移位是否完成

波特率

  1. 方式0为移位寄存器方式,波特率是固定的:波特率=Fosc/12
  2. 方式1和方式3的波特率可变,由定时器T1溢出速率控制。方式1和方式3波特率=(2^SMOD/32)×(T1溢出率)
  3. 方式2为9位UART,方式2波特率=(2^SMOD/64)×Fosc。波特率仅与PCON中SMOD的值有关,当SMOD=0时,波特率为Fosc/64;当SMON=1时,波特率为Fosc/32。

  4. 使用定时器作为波特率发生器

image-20250410111701265

image-20250410111848017

并行口及其应用

不同的并行口结构

  1. P0口
  • P0口是8位双向三态输入/输出接口
  • P0口既可作地址/数据总线使用,又可作通用I/O口用。
  • 连接外部存储器时,P0口一方面作为8位数据输入/输出口,另一方面用来输出外部存储器的低8位地址。

image-20250411180309786

  1. P1口
  • P1口是8位准双向口,作通用输入/输出口使用
  • 在输出驱动器部分,P1口有别于P0口,它接有内部上拉电阻。
  • CPU既可以对P1口进行字节操作,又可以进行位操作。

image-20250411180510089

  1. P3口
  • P2口是8位准双向输入/输出接口
  • P2口可作通用I/O口使用,与P1口相同。
  • 当外接程序存储器时,P2口给出地址的高8位,此时不能用作通用I/O。

image-20250411180625773

  1. P3口

P3口也是一个8位的准双向输入/输出接口

image-20250411180703890

[!important]

各个接口对比

接口 电气特性 专用功能 用途
P0 三态输入输出 地址低8位/数据总线
P1 上拉电阻 外部接口
P2 上拉电阻 地址高8位
P3 上拉电阻 专用功能

©OZY all right reserved该文件修订时间: 2025-09-20 05:42:10

评论区 - 02_单片机

results matching ""

    No results matching ""